首页
>
政务公开
>
公告公示
>
水质抽检
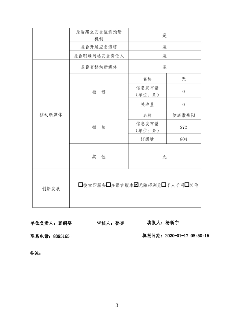
岳阳市卫生健康委员会网站2019年度报表
来源:市卫健委
2020-01-17 08:55
浏览量:
1
|
|
|
|
|