首页
>
政务公开
>
公告公示
>
通知公告
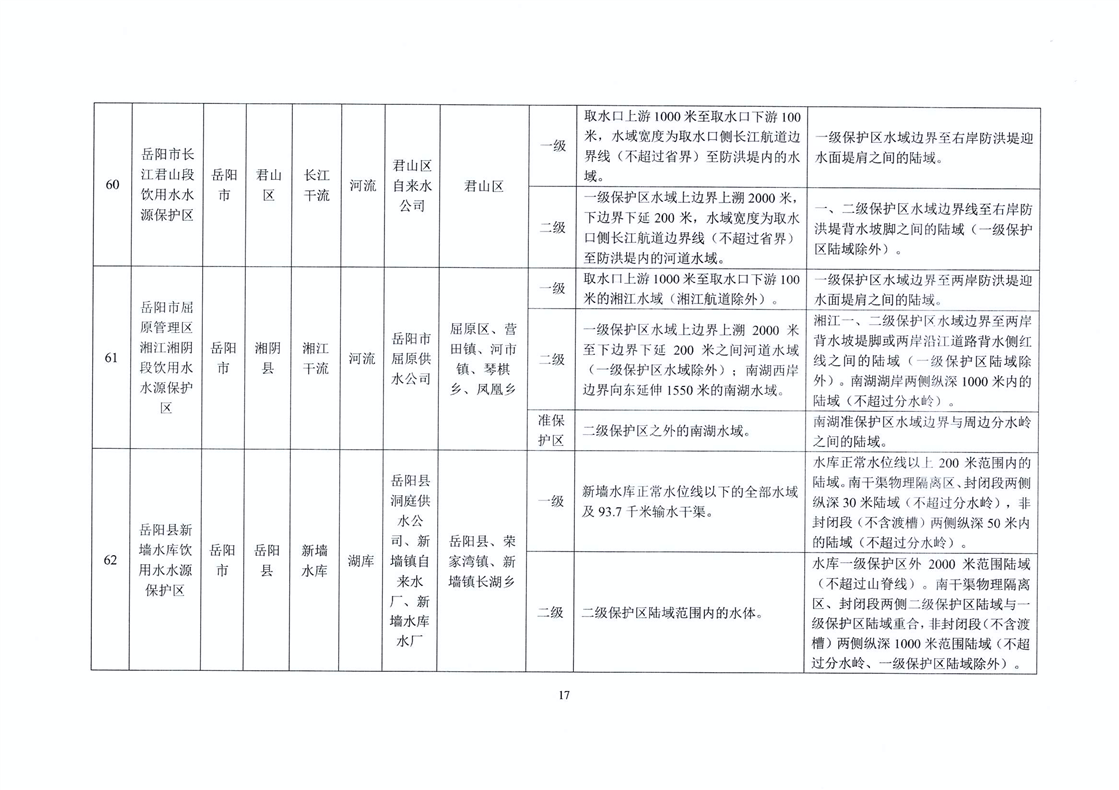
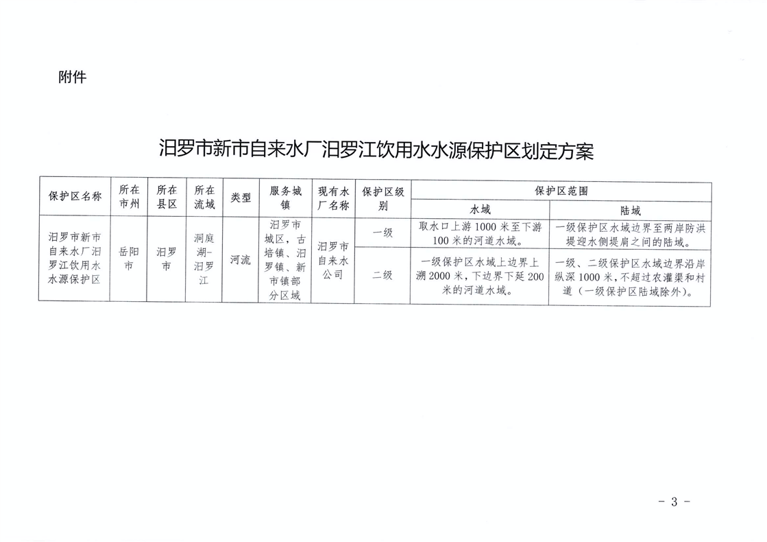
岳阳市县级及以上、“千吨万人”、“千人以上”集中式饮用水水源保护区划定及调整方案
来源:市生态环境局
2022-06-13 15:39
浏览量:
1
|
|
|
|
|