首页
>
市政府工作部门
>
市水利局
>
通知公告
>
通知公告
索 引 号:43060024/2026-2353270
发布机构:市水利局
公开范围:全部公开
生成日期:2026-01-13
公开日期:2026-01-13
公开方式:政府网站
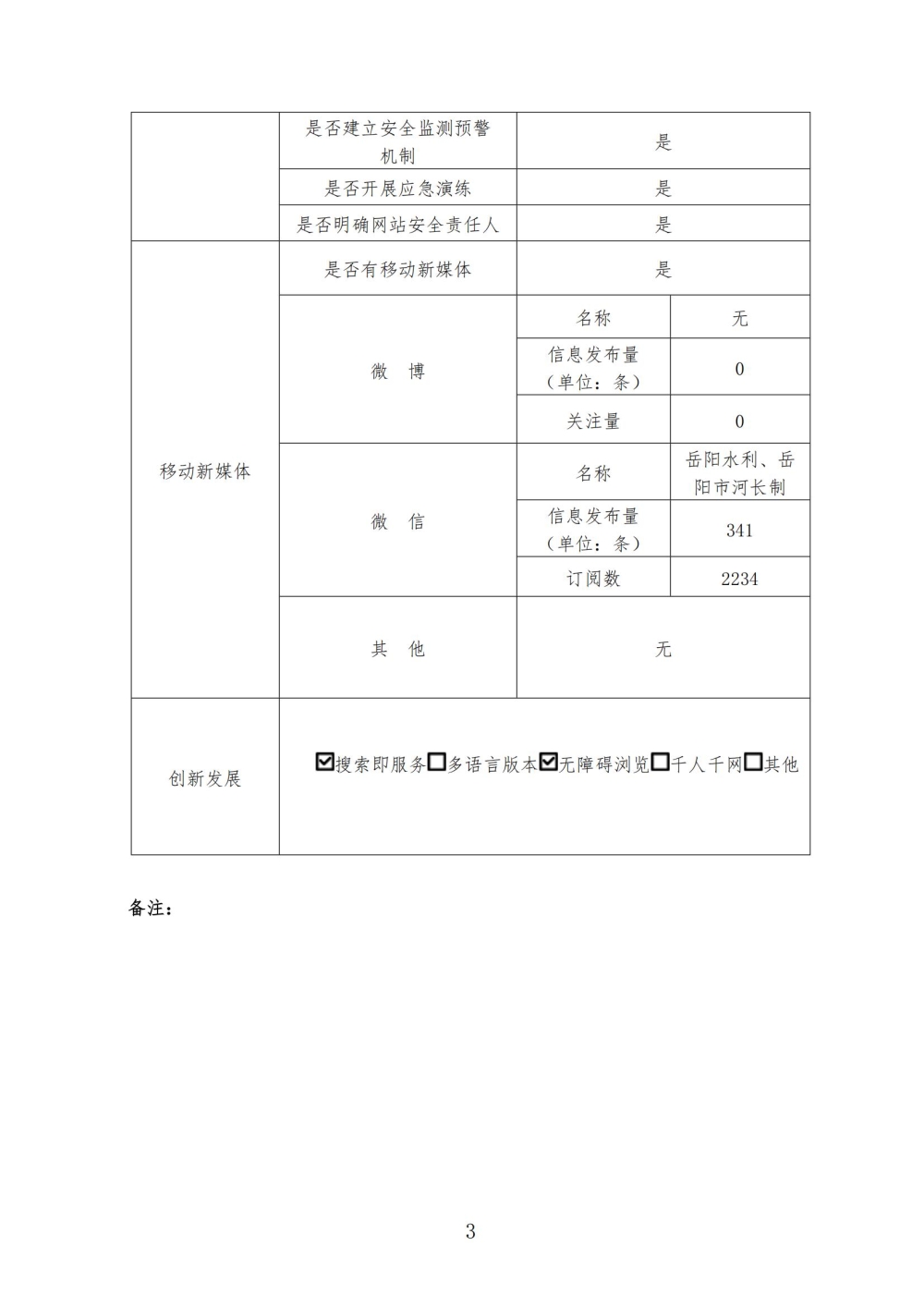
岳阳市水利局2025年政府网站工作年度报表
来源:市水利局
2026-01-13 09:20
浏览量:
1
|
|
|
|
|