首页
>
市政府工作部门
>
市旅游外事侨务办公室
>
通知公告
>
通知公告
索 引 号:43060020/2018-1289868
发布机构:市旅游外事侨务办公室
公开范围:全部公开
生成日期:2018-01-30
公开日期:2018-01-30
公开方式:政府网站
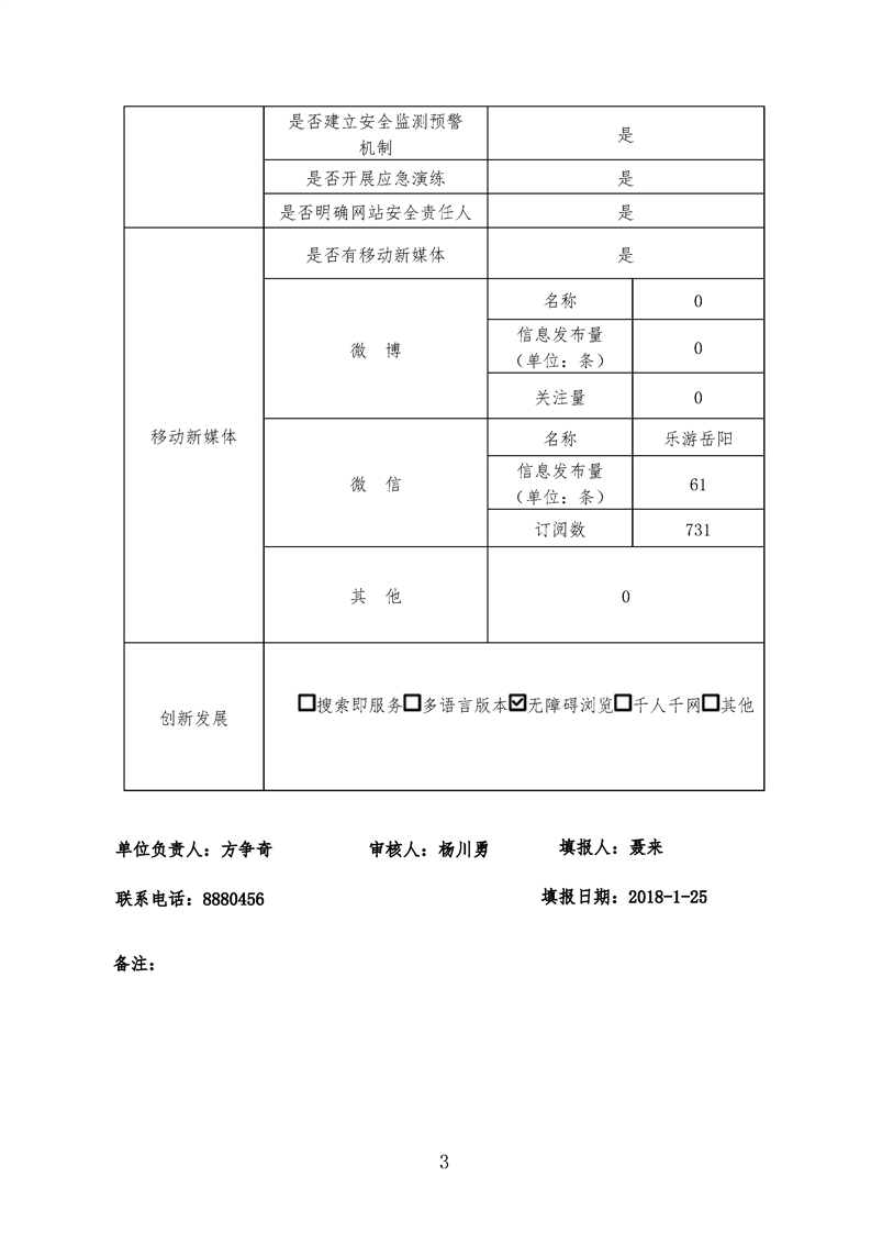
岳阳市旅游发展和外事侨务委员会网站工作2017年度报表
来源:岳阳市政府旅游外事侨务办
2018-01-30 11:25
浏览量:
1
|
|
|
|
|