市长信箱

关于岳阳市一中新建教学楼甲醛超标,强制要求学生搬入举报

浏览量:5601次

尊敬的领导:

您好!我是岳阳市一中一位高三学子的家长,岳阳市一中于假期新建教学楼至今仍未完工,在此情况下,学校仍然一意孤行,强行安排高三学生们搬入。有家长进去检测过发现教室内甲醛严重超标,并立刻告知校方,但校方不但没有站在为高三学子的健康角度采取任何措施,也没有与家长们妥善沟通,而是蛮横地要求学生必须无条件接受安排,同时扬言要对个别家长采取行动。至此,我们家长觉得非常失望,非常寒心,但最为重要的是担心即将备战高考的整个年级的孩子们的健康!高考对孩子们乃至整个家庭都是至关重要的,在这种节骨眼上学校不是给出最好的安排,我们家长无法接受!

因此,恳请市长关注此事,并请相关部门领导将我们广大家长的心声转告学校,我们希望高三这一年能在原有教室安安稳稳地、健健康康地努力学习。

此致

写 信 人:嘉陵有话说
写信时间:2017-08-26 21:00:18
信件回复:

市民:

您好,感谢您对岳阳第一中学的关心,现将岳阳市第一中学2#、5#楼有关情况回复如下:

岳阳市第一中学2#、5#楼拆除重建工程于2017年元旦后开工,4月 6日完成2#、5#楼主体工程,5月12日由市质监站、市教育体育局等单位进行了验收,5月20日完成内外墙涂料、水电安装和室内铺面等主要装修工程,6月30日内部墙壁装修全部完工,7月10日外墙全部落架,8月4日水管、电灯、电扇全部安装完毕,8月6日教室黑板、讲台、储物柜、空调安装完毕,8月20日地面通道、草皮等全部完工。

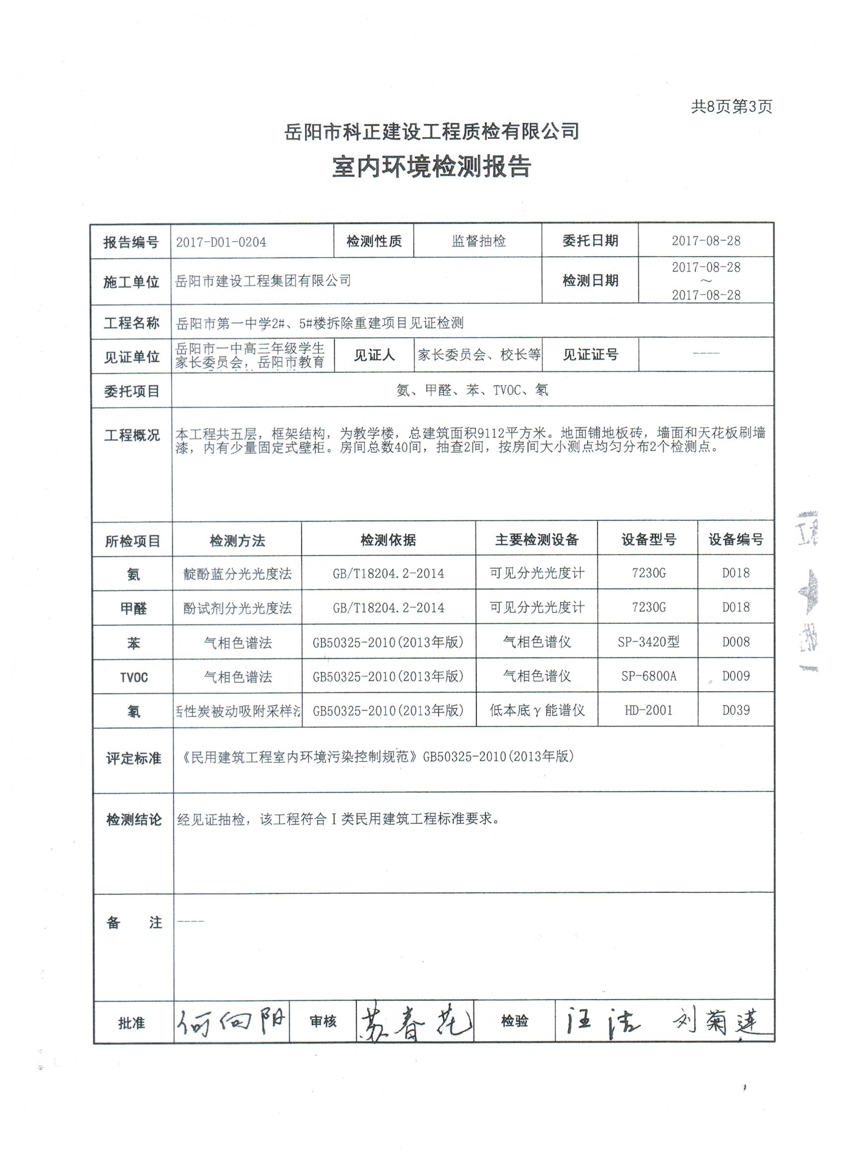
2#、5#楼拆除重建项目完工后校方组织第三方检测机构于8月7日、8月28日进行了两次室内环境检测。8月7日,岳阳市科正建设工程质检有限公司专业人员来校进行室内环境检测,检测项目有氨、甲醛、苯、TVOC、氡。该公司于8月24日出具《检查报告》,检测结果为:合格。认为该工程符合I类民用建设工程指标要求。8月28日,由岳阳市教育体育局、岳阳市教育建设投资有限公司、岳阳市第一中学三方委托岳阳市科正建设工程质检有限公司对岳阳市第一中学2#、5#楼拆除重建项目见证检测,8月29日出具《检测报告》,认定该工程符合I类民用建设工程指标要求。

附:8月29日检测报告

回复部门:市教体局
回信时间:2017-08-31 17:46:43
满 意 度: 无反馈
信件回复 满意度调查 查看满意度调查汇总 >>

回复内容评价:

(非常满意)

回复速度评价:

(非常满意)