首页
>
政府信息公开
>
法定主动公开内容
>
政府网站年报
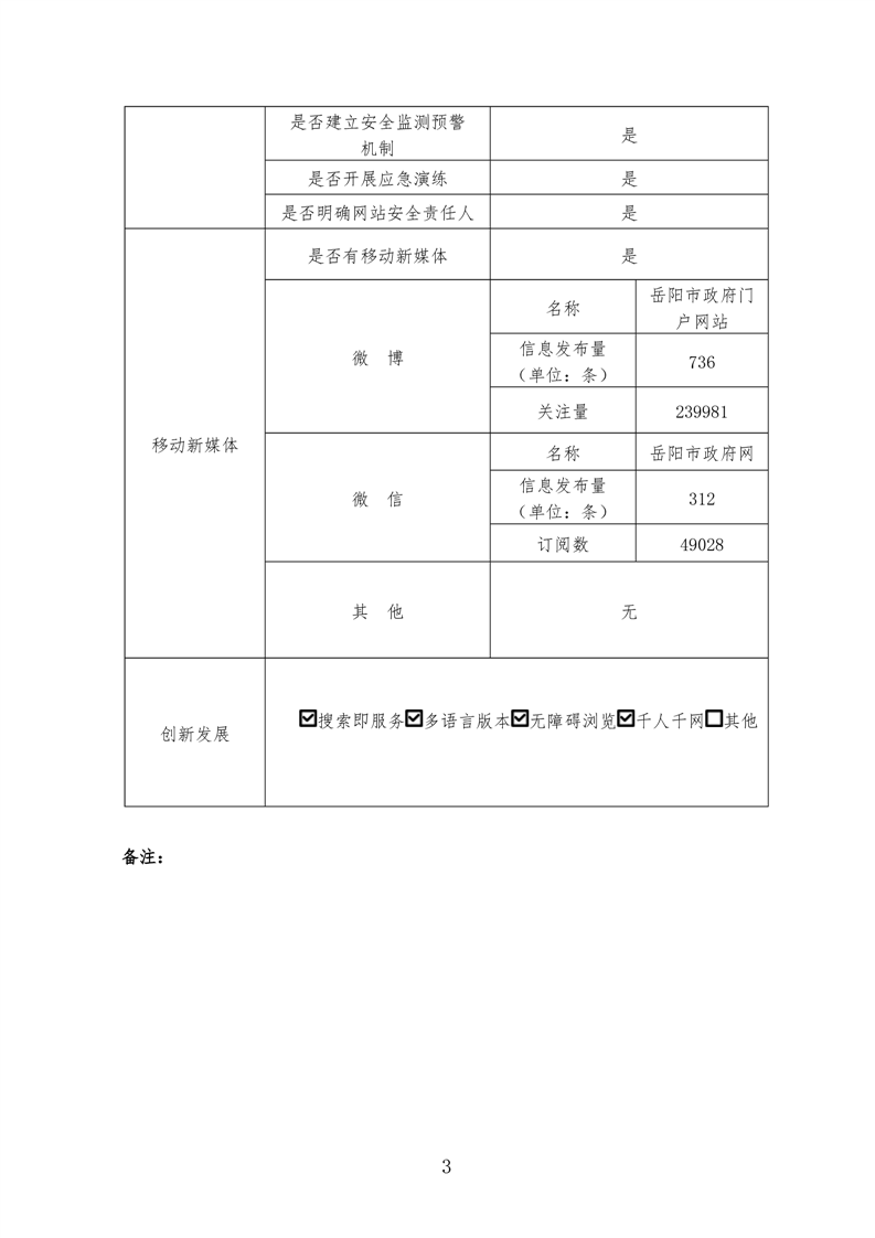
2025年度岳阳市人民政府网站工作年度报表
来源:市政府门户网站
2026-01-19
浏览量:
1
|
|
|
|
|