归档时间:2021-01-05
首页
>
专题专栏
>
2019年政务公开工作要点专栏
>
围绕岳阳发展新格局构建强化公开
>
推进现代产业发展和项目建设情况公开
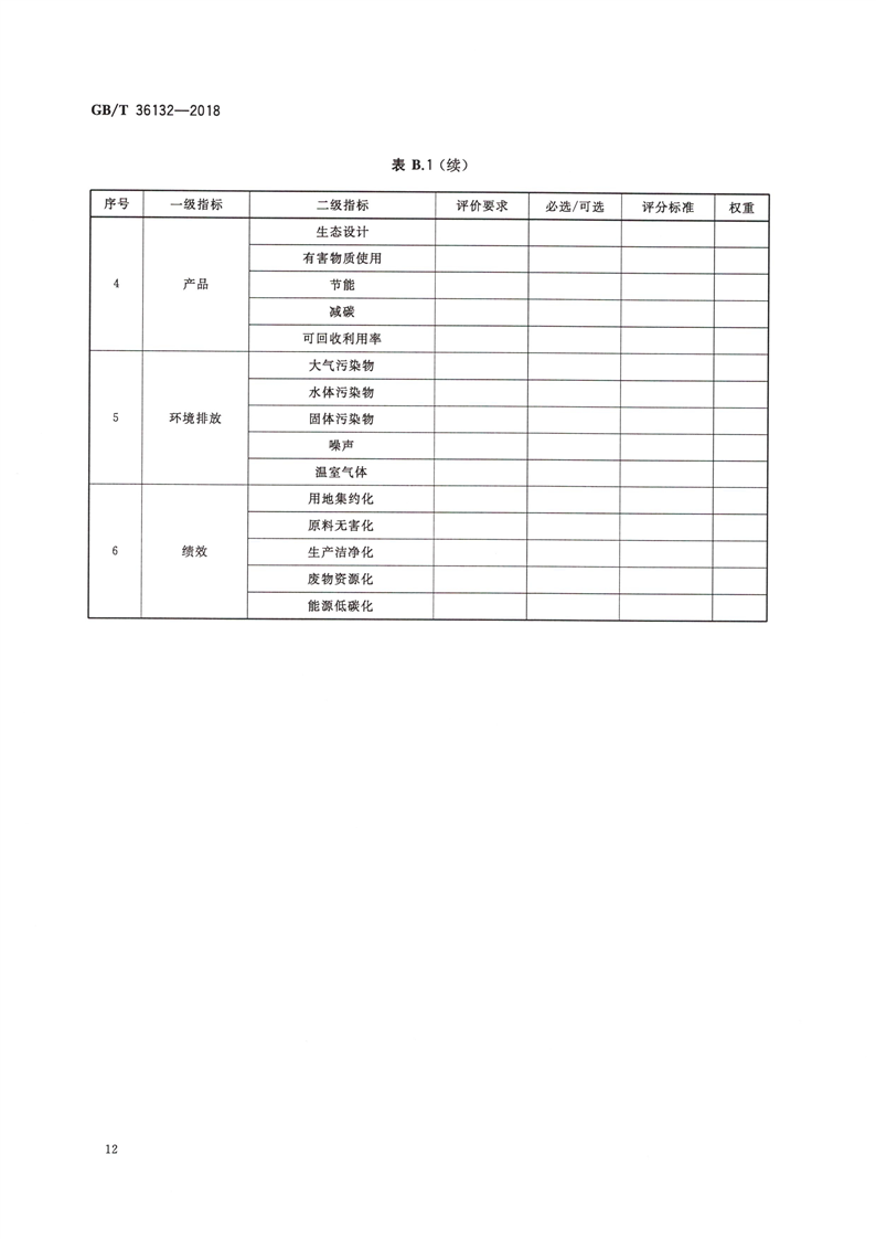
绿色工厂评价通则
来源:国家工信部
2020-06-29
浏览量:
1
|
|
|
|
|